1. M12 Cavidade padrão da perna baixa durante a noite 2500#.
2. A versão atualizada 2500N não tem um sentimento de mais conforto.
3. Design parcialmente montado patenteado para grande quantidade de carregamento de contêineres, mas muito fácil de montar.
4. Opção para versão extra longa 2500X, que leva o comprimento do colchão 75 ".
5. Use rebites de alta qualidade e processo de rebitagem de óleo com a tecnologia de arruela de metal, as articulações quase não têm folga, mas funcionam muito suaves para a estabilidade do dorminhoco.
6. Use aço tubular mais forte e mais espesso para proteger a capacidade de carregamento.
7. O dorminhoco se abre para reduzir a diferença de altura entre coração e pé para o conforto.
8. O colchão dobrado no apoio de cabeça mudou para ficar longe do poste para proteger o colchão de flicção em posição próxima.
9. Opção para base de polideck à prova de fogo e de ar para segurança e saúde, ou mistura de duas ou quatro ripas.
10. Opção para a série de cavidades profundas 2700# e profundidade de montagem extra estreita 2300#.
Veja Vídeo:Mecanismo de dormir de sofá de 2 vezes durante a noite
| Tamanho | Rei | Rainha | Completo | Gêmeo | Mini-twin | Tamanho a | Tamanho b | Recurso |
| Tamanho E. | 72 " | 68 " | 60 " | 44 " | 40 ' |
|
|
|
| Tamanho d | 64 " | 60 " | 52 " | 38 " | 32 " |
|
|
|
| 2300# | 2372L | 2368L | 2360L | 2344L | 2340L | 74cm | 72 “ | Extra estreito |
| 2500# | 2572L | 2568L | 2560L | 2544L | 2540L | 81cm | 72 " | Padrão |
| 2500H# | 2572h | 2568h | 2560h | 2544h | 2540h | 81cm | 72 " | Perna alta |
| 2600# | 2672 | 2668 | 2660 | 2644 | 2640 | 81cm | 72 " | Perna alta |
| 2700# | 2772 | 2768 | 2760 | 2744 | 2740 | 81cm | 72 " | Cavidade profunda |
| 2500X# | 2572x | 2568x | 2560x | 2544x | 2540x | 84cm | 75 " | Extra longo |
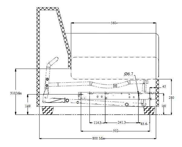
Especificações de montagem

Mecanismo de sofá-cama de 2 ripas dobráveis com almofada de assento (3963S#)
Mecanismo de sofá-cama de ripas de 2 dobras com ripas (2900S#)
Mecanismo de Sofá-cama de perna alta com 2 dobras
Mecanismo de Sofá-cama de cavidade profunda
Mecanismo de Sofá-cama de 2 dobras com almofada de assento
Mecanismo de Sofá-cama de ripas de 2 dobras